Static RAM
Flip Flop은 1Bit를 저장할 수 있는 구조입니다.
이것을 조금 수정 보완해서 만든게 D(Data) Flip Flop입니다.
다른 말로 Latch라고도 이야기 합니다.
Transistor로 만들어진 이 Latch(D Flip Flop)을 속도가 빠릅니다.
대신 Transistor가 많이 들어가기 때문에 단가가 올라가며 DRAM에 비해 큰용량을 만들기가 어렵습니다.
Latch를 이용해서 만든것이 SRAM입니다.
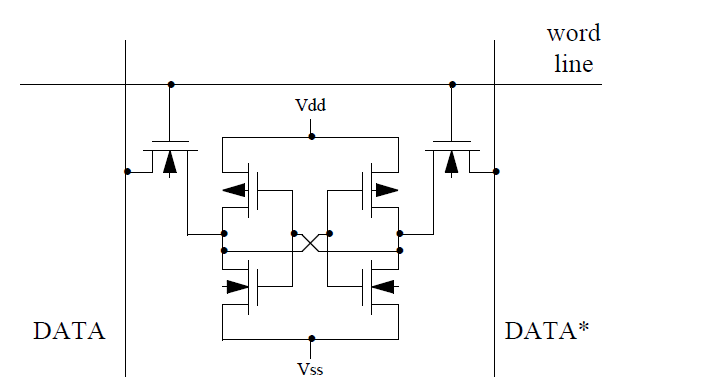
아래그림은 SRAM의 1bit 를 저장하는 회로입니다.

CPU의 Register가 이 Latch를 사용하고
Cache 또한 Latch를 사용하고
Device에서 잠시동안 Data를 보관하기 위해 이 Latch를 사용합니다.
이를테면 Nand Flash에서 CLE(Command Latch Enable),ALE(Address Latch Enable)는 Data BUS로 들어온 신호를
Command를 저장하는 Latch또는 Address를 저장하는 Latch에 저장하라는 신호입니다.
Dynamic RAM
DRAM은 Capacitor에 정보를 저장하게 되는데
Static RAM에 비해 상대적으로 작은 공간에 많은 정보를 저장할 수 있습니다.
Capacitor의 특성상 충방전이 필요하게 되므로 상대적으로 속도가 느립니다.
게다가 Capacitor가 방전되기 때문에 주기적으로 Refresh를 해주어야만 값을 유지할 수 있습니다.

CPU가 동작하려면 연산한 값을 임시로 저장하는 Register(Latch)가 필요합니다.
연산의 대부분은 이 Register에 있는 값을 이용하여 연산을 하게 됩니다.
왜냐면 SDRAM(Syncronous DRAM)보다 빠르니까요
Register가 많으면 좋겠지만 아래와 같이 구성되어 있으며 더많은 저장공간이 필요할 경우 SDRAM에 저장을 하게 됩니다

'Microprocessor' 카테고리의 다른 글
Stack , Context Switching(문맥교환) (0) | 2023.05.31 |
---|---|
Multi Task, Multi Process, Multi Thread (0) | 2023.05.31 |
Vector Table & Exception (0) | 2023.05.31 |
Scatter loading & ROM Binary (0) | 2023.05.31 |
Nand Flash Boot (0) | 2023.05.31 |